Logic Analyser
See also Hantek MSO.
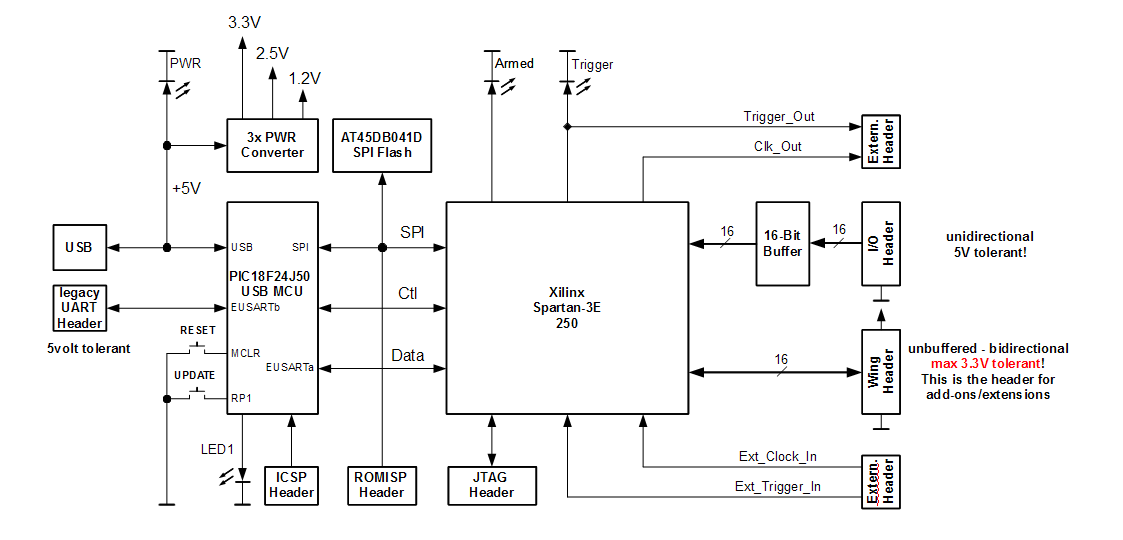
openbench logic sniffer
papillo fpga
- https://store.gadgetfactory.net/papilio-fpga-logic-analyzer-bundle/
- https://store.gadgetfactory.net/papilio-pro-spartan-6-fpga-dev-board-with-sdram/
- http://www.papilio.cc/index.php?n=Papilio.PapilioPro
